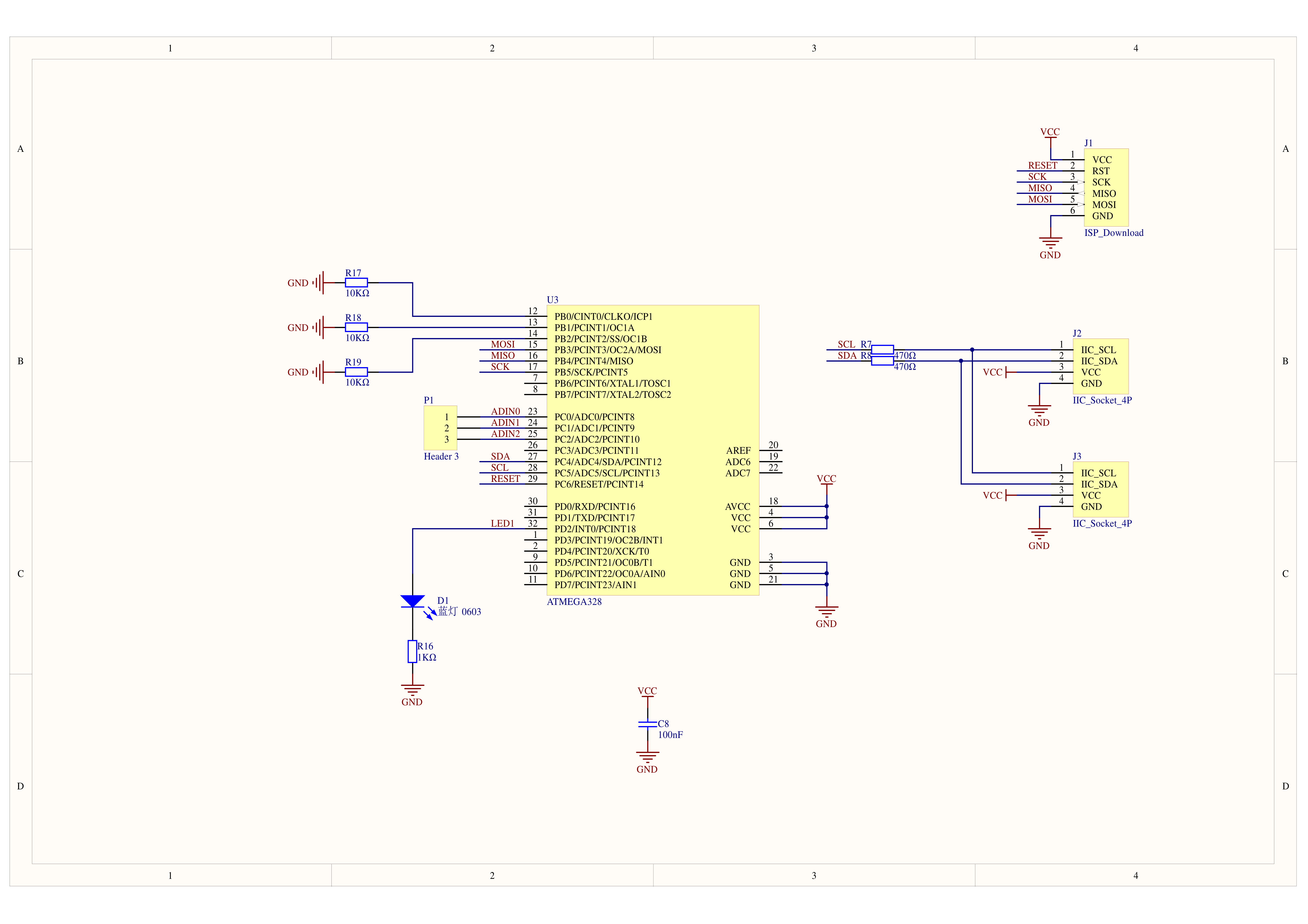
SKU:U024-C








Unit Joystick v1.1 は、I2C 通信インターフェースを採用したジョイスティック入力ユニットで、三軸制御信号入力(X/Y 軸偏差アナログ入力、Z 軸ボタンデジタル入力)をサポートします。ゲームやロボット制御などの用途に適しています。
| 仕様 | パラメータ |
|---|---|
| 主制御 MCU | MEGA8A |
| 通信インターフェース | I2C 通信 @ 0x52 |
| X、Y 軸偏差出力値 | 0-255 |
| Z 軸ボタン出力値 | 0/1 |
| 製品サイズ | 48.0 x 24.0 x 32.0mm |
| 製品重量 | 11.0g |
| 梱包サイズ | 138.0 x 93.0 x 25.0mm |
| 梱包重量 | 27.0g |


| HY2.0-4P | Black | Red | Yellow | White |
|---|---|---|---|---|
| PORT.A | GND | 5V | SDA | SCL |
JOYSTICK REG 0x52
| REG | len | 説明 | 戻り値 |
|---|---|---|---|
| 0x52 | 3 | ジョイスティック状態を読み取る | [0] X 値 [1] Y 値 [2] ボタンステータス |
| Easyloader | ダウンロードリンク | 備考 |
|---|---|---|
| Unit Joystick v1.1 Test Easyloader | download | / |