SKU:K117












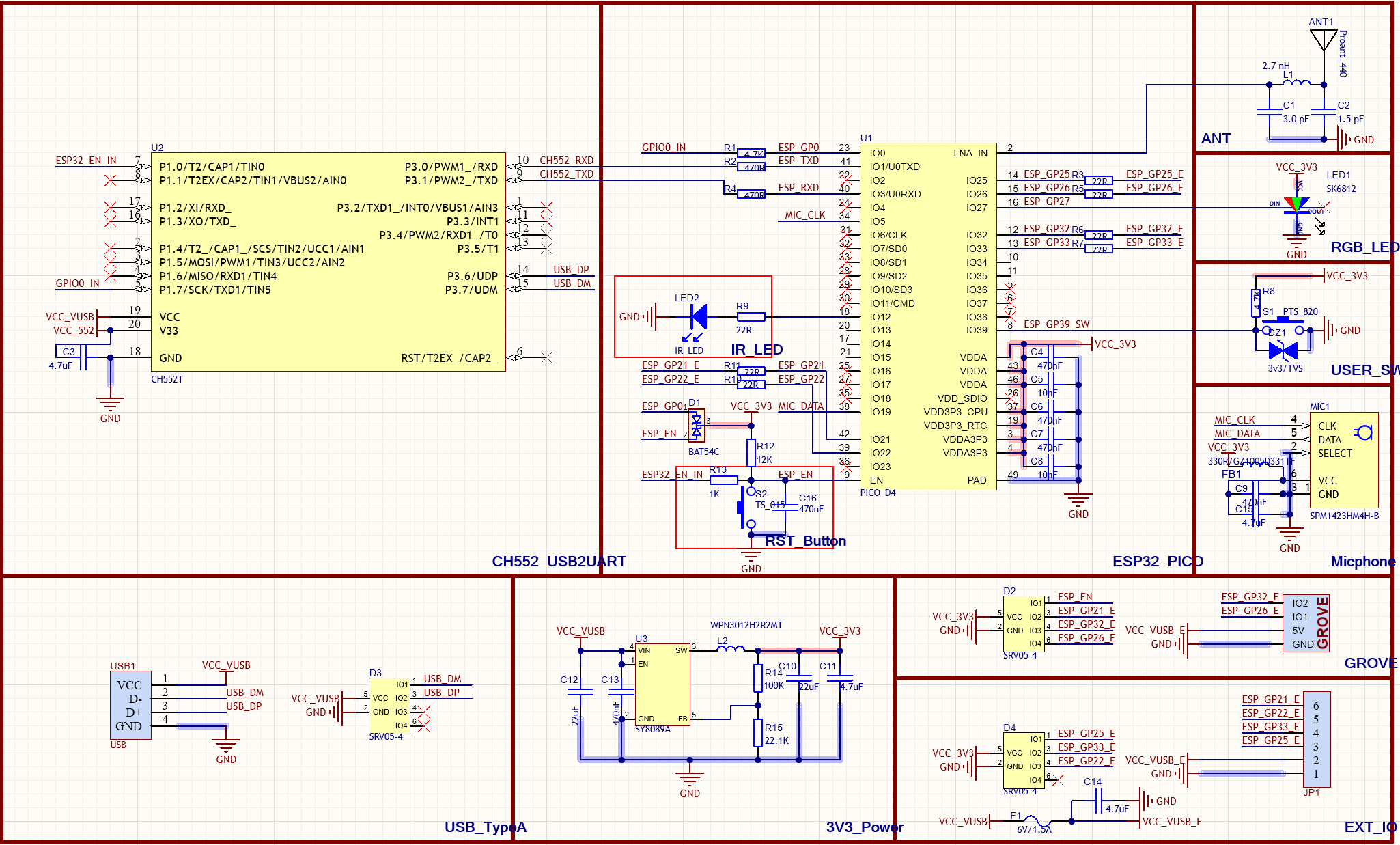
AtomU is an ultra-compact and flexible IoT voice-recognition development board powered by Espressif’s ESP32. It is equipped with two low-power Xtensa® 32-bit LX6 microprocessors running at up to 240 MHz. The board integrates peripherals such as a USB Type-A interface, IR transmitter, and a programmable RGB LED, allowing true plug-and-play use for uploading, downloading, and debugging firmware.
With its built-in Wi-Fi module and on-board digital microphone SPM1423 (PDM), AtomU enables clear audio recording, making it ideal for human–machine interaction and speech-to-text (STT) applications in various IoT scenarios.
| Specification | Parameter |
|---|---|
| SoC | ESP32-PICO-D4@Dual-core processor, 240MHz |
| DMIPS | 600 |
| SRAM | 520KB |
| Wi-Fi | 2.4 GHz Wi-Fi |
| Microphone | SPM1423 |
| Microphone Sensitivity | 94 dB SPL @ 1 kHz, Typ.: −22 dBFS |
| Microphone SNR | 94 dB SPL @ 1 kHz, A-weighted, Typ.: 61.4 dB |
| Standby Operating Current | 40.4 mA |
| Supported Input Frequency | 100 Hz ~ 10 kHz |
| Supported PDM Clock | 1.0 ~ 3.25 MHz |
| Product Size | 53.0 x 20.0 x 10.3mm |
| Product Weight | 8.6 g |
| Package Size | 114.2 x 65.6 x 20.6mm |
| Gross Weight | 16.6 g |
| ESP32-PICO-D4 | G5 | G19 | 3.3 V | GND |
|---|---|---|---|---|
| SPM1423 | MIC_CLK | MIC_DATA | VCC | GND |
| ESP32-PICO-D4 | G12 | G27 | G39 |
|---|---|---|---|
| IR | TX | ||
| SK6812 | DIN | ||
| BUTTON | SW |
| HY2.0-4P | Black | Red | Yellow | White |
|---|---|---|---|---|
| PORT.CUSTOM | GND | 5V | G26 | G32 |
[env:m5stack-atom]
platform = espressif32@6.7.0
board = m5stack-atom
framework = arduino
upload_speed = 1500000
monitor_speed = 115200
build_flags =
-DCORE_DEBUG_LEVEL=5
lib_deps =
M5Unified=https://github.com/m5stack/M5Unified AtomU may not work driver-free on some systems. Users can manually install the FTDI VCP driver to resolve this issue. Taking Windows 10 as an example, download the driver file that matches your operating system and extract it. Then, install it via Device Manager. (Note: In certain system environments, you may need to install the driver twice for it to take effect. The unrecognized device name is usually M5Stack or USB Serial. For Windows, it is recommended to use Device Manager to install the driver manually (custom update). The executable installation method may not work properly.)
FTDI VCP Driver Download Page:
Installation Method:
To compare information on the Atom series products, you can visit the Product Selection Table, check the target products, and get the comparison results. The selection table covers key information such as core parameters and functional features, and supports comparison of multiple products simultaneously.