SKU:C149
























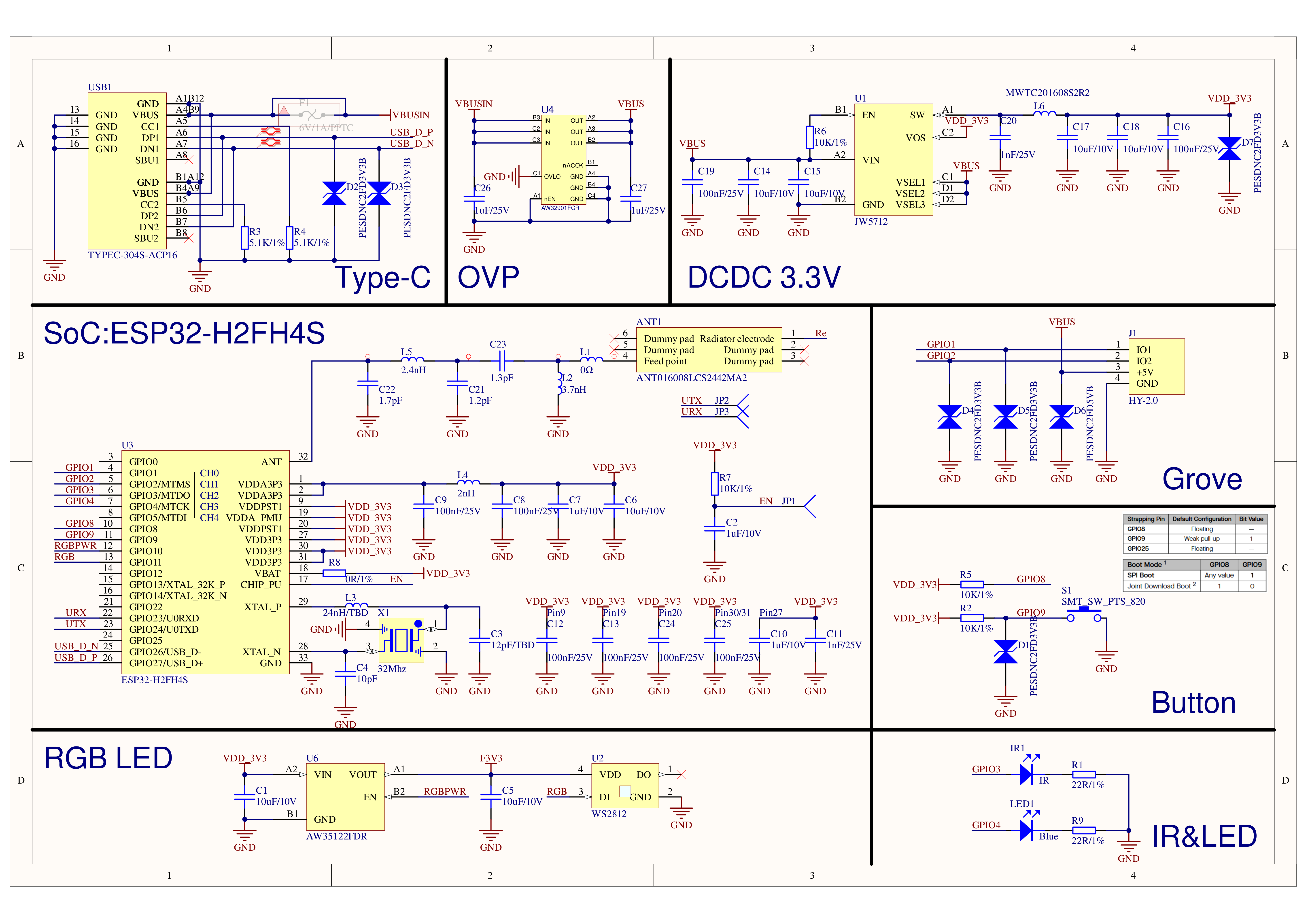
NanoH2 is an ultra-compact IoT development board in the M5Stack development kit series. It is powered by the ESP32-H2FH4S as the SoC and features hardware security mechanisms such as secure boot and Flash encryption. The device integrates IEEE 802.15.4 wireless communication and supports Zigbee, Thread, and Matter interoperability protocols based on Thread. The hardware integrates an LED, IR infrared transmitter, RGB, Grove interface, USB Type-C, and a user button. The Grove interface enables flexible expansion with various M5 devices, providing developers with rich hardware expansion capabilities. It is suitable for functional extension needs in lightweight IoT scenarios and can be applied in smart home, industrial control, low-power wireless communication nodes, and the development of various low-power IoT terminals based on IEEE 802.15.2.
| Specification | Parameter |
|---|---|
| SoC | ESP32-H2FH4S@RISC-V 32-bit single-core, up to 96 MHz |
| Flash | 4MB |
| RGB | WS2812 |
| Communication Protocol | IEEE 805.15.4 (including Zigbee 3.0, Thread 1.4, Matter) |
| OpenThread Range | Maximum distance 225m, packet loss rate 0% |
| IR Remote Parameters | IR transmission distance at ∠0°: 395CM IR transmission distance at ∠45°: 70CM IR transmission distance at ∠90°: 10CM |
| Grove Max Load | DC 4.43V@2A (5min, 25.2℃) |
| Operating Power | IEEE 805.15.4 wireless: TX: DC 5V@18.68mA / RX: DC 5V@18.82mA IR remote: DC 5V@6.80mA RGB (white): DC 5V@10.79mA LED: DC 5V@12.34mA (max brightness) |
| Product Size | 23.5 x 12.0 x 9.5mm |
| Product Weight | 3.7g |
| Package Size | 100.6 x 80.0 x 10.5mm |
| Gross Weight | 16.5g |
To flash firmware, you need to enter download mode: press and hold the button GPIO9, then connect the USB cable to enter download mode.


| ESP32-C6FH4 | G3 | G4 | G9 | G10 | G11 |
|---|---|---|---|---|---|
| IR | IR | ||||
| LED | LED(Blue) | ||||
| BUTTON | BUTTON | ||||
| WS2812 | EN(RGBPWR) | DI(RGB) |
| HY2.0-4P | Black | Red | Yellow | White |
|---|---|---|---|---|
| PORT.CUSTOM | GND | 5V | G2 | G1 |