SKU:A106-V21
























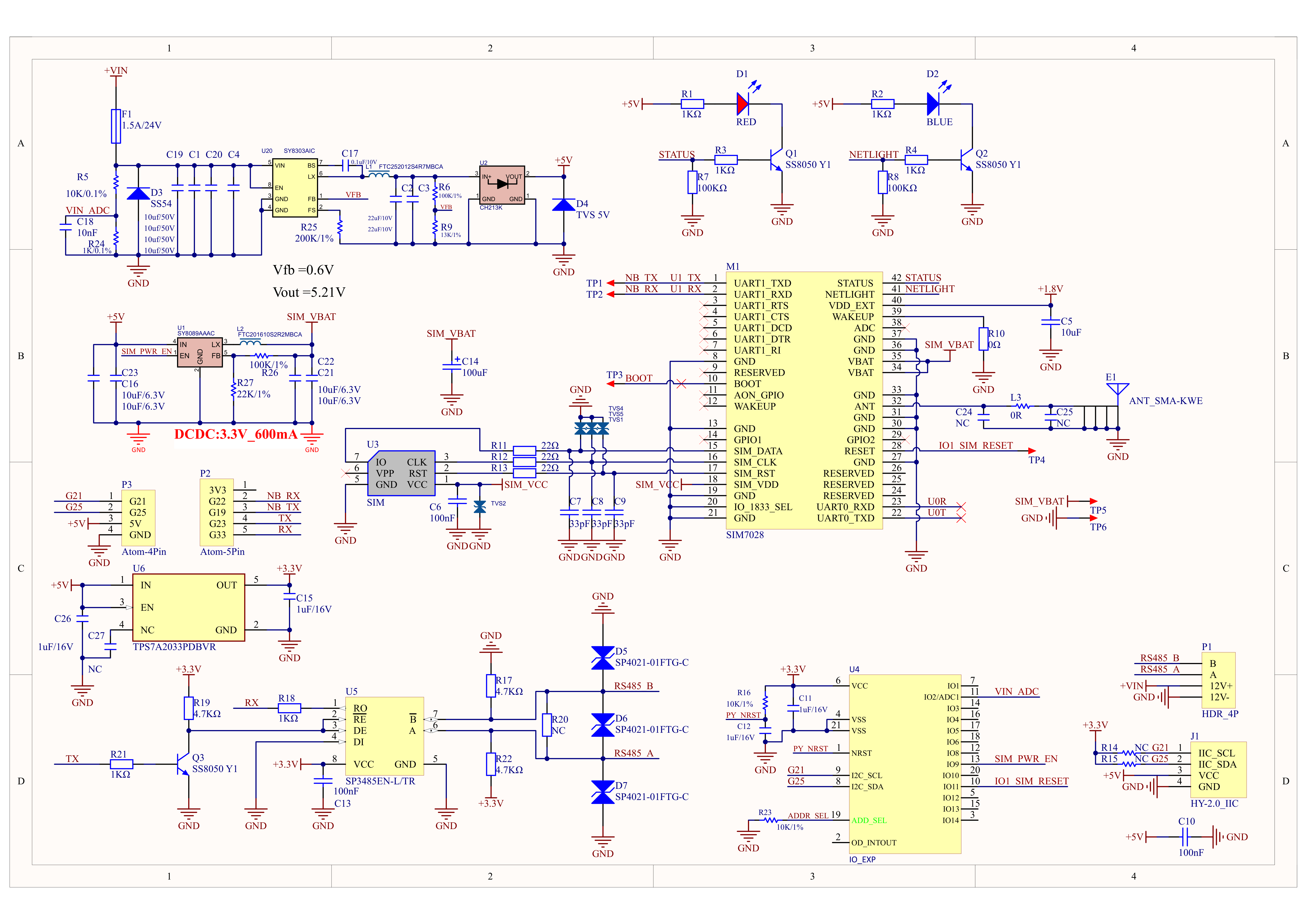
Atom DTU NBIoT2 v1.1 is a programmable NB-IoT wireless Data Transmission Unit (DTU) designed for global Cat-NB frequency bands. Upgraded from the previous generation, it mainly adds an IO expansion chip to enable control of the communication module power enable and software reset, which helps reduce power consumption and ensures that the SIM module can be reset without power cycling when abnormal conditions occur. At the same time, an ADC monitoring circuit has been added, supporting real-time acquisition of the input power voltage from the HT3.96-4P interface to enable power status monitoring. This unit integrates the SIM7028 communication module and uses UART communication (controlled via AT command set). It features an SMA external antenna interface, providing good communication quality and signal stability. The SIM7028 module supports multiple Cat-NB frequency bands and can be used worldwide. Compared with conventional DTUs that only support data transparent transmission, the Atom DTU series adopts a more open architecture design. Multiple interfaces (RS485, I2C / custom Grove interface) are reserved for user expansion, facilitating rapid connection of sensors and actuators. The built-in DIN rail mounting structure allows installation in various industrial control environments, making it suitable for low-latency, low-throughput scenarios such as remote control, asset tracking, remote monitoring, telemedicine, and shared bicycles.
| Specification | Parameter |
|---|---|
| Communication Module | SIM7028 |
| Supported Cat-NB Band | B1/B2/B3/B4/B5/B8/B12/B13/B14/B17/B18/B19/B20/B25/B26/B28/B66/B70/B85 |
| Network Protocol | TCP/UDP/HTTP/TLS/DTLS/DNS/NTP/PING/LWM2M/COAP/MQTT/MQTTS/SSL |
| Carrier | Deutsche Telekom / Vodafone / Telefonica / China Telecom / China Mobile / China Unicom |
| Communication Method | UART 115200bps @ 8N |
| IO Expansion Chip | M5IOE1 |
| Antenna Specification | Size 108 x 10mm, connector type SMA (male thread, female pin), operating band 850 ~ 1900 MHz, gain 2.0 ± 0.5, VSWR ≤ 3.0 |
| Power Supply | RS485 port (HT3.96R-4P interface): 9 ~ 24V USB Type-C: 5V |
| Power Consumption | SIM module powered off: 24V@9mA (RS485 power); 5V@2.61mA (USB power) Standby: 5V@8.82mA Working (continuous TX/RX): 5V@43.91mA |
| Grove Load Capacity | DC 5V@1.3A (RS485 power supply) |
| Operating Temperature | 0°C ~ 40°C |
| Installation Method | DIN rail mounting / mounting holes |
| Product Size | 64.3 x 24.0 x 28.7mm |
| Product Weight | 30.0g |
| Package Size | 170.0 x 120.0 x 27.0mm |
| Gross Weight | 51.2g |
| Communication Distance | Data Rate |
|---|---|
| 100 m | Maximum data rate 512Kbps, normal TX/RX, packet loss 0%, error rate 0% |


| PIN | LEFT | RIGHT | PIN |
|---|---|---|---|
| 1 | 3V3 | ||
| PORT.A | 2 | 3 | NBIoT2_UART_RX |
| PORT.A | 4 | 5 | NBIoT2_UART_TX |
| 5V | 6 | 7 | RS485_TX |
| GND | 8 | 9 | RS485_RX |
| Product Compare | Atom DTU NBIoT2 v1.1 ![]() | Atom DTU NBIoT2 ![]() | Atom DTU NBIoT ![]() |
|---|---|---|---|
| Included Atom | Not included | AtomS3-Lite | Atom-Lite |
| Communication Module | SIM7028 | SIM7028 | SIM7020G |
| Cat-NB Band | B1/B2/B3/B4/B5/B8/B12/ B13/B14/B17/B18/B19/B20/B25/ B26/B28/B66/B70/B85 | B1/B2/B3/B4/B5/B8/B12/ B13/B14/B17/B18/B19/B20/B25/ B26/B28/B66/B70/B85 | B1/B2/B3/B4/B5/B8/B12/ B13/B17/B18/B19/B20/B25/B26 /B28/B66/B70/B71/B85 |
| Data Rate | 127 (DL) / 159 (UL) | 127 (DL) / 159 (UL) | 126 (DL) / 150 (UL) |
| Module Power Enable | IO Expansion Chip Control | Direct Power Connection | Direct Power Connection |
| Module Reset | IO Expansion Chip Control | None | None |
| Power Status Monitoring | IO Expansion Chip ADC Sampling | None | None |