SKU:S015-DIP




























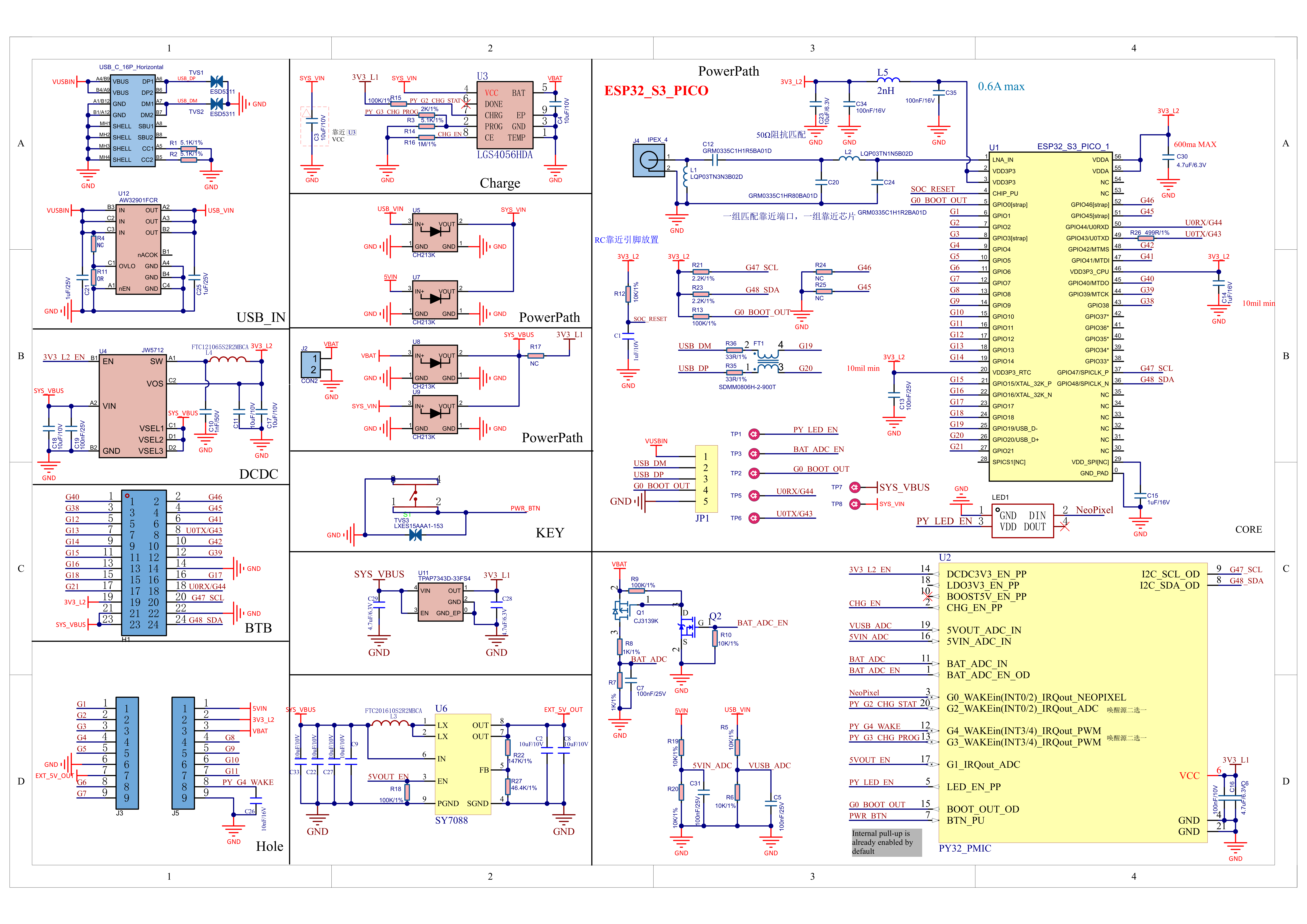
Stamp-S3Bat DIP is an embedded core module with integrated power management. It features the ESP32-S3-PICO-1-N8R8 main controller, supporting 2.4GHz Wi-Fi with built-in 8MB Flash and 8MB PSRAM. The module leads out 11 GPIOs and 1 wake-up IO, equipped with a 24P BTB connector (supporting DVP interface). An onboard battery power interface is provided for connecting an external 3.7V lithium battery. It integrates the M5MP1 multi-stage power control design, supporting power input/output control, lithium battery charging control, and status detection for input voltage and battery voltage. It also supports external low-power wake-up; after the main controller enters low-power sleep mode, the power can be woken up via the external wake-up IO. Featuring a programmable RGB LED, the Stamp-S3Bat DIP version comes with pre-soldered 2.54mm standard pitch headers, allowing integration into applications via PCB insertion, breadboard connection, or Dupont cables to help developers quickly build IoT applications.
| Specification | Parameter |
|---|---|
| SoC | ESP32-S3-PICO-1-N8R8 @ Dual-core Xtensa LX7 processor, frequency up to 240MHz |
| Flash | 8MB |
| PSRAM | 8MB |
| Wi-Fi | 2.4 GHz Wi-Fi |
| Input Power | 3.7V Battery / USB Type-C / DC 5V |
| RGB LED | 1x WS2812 |
| Battery Interface | SH1.0 |
| Pad GPIO Leads | 11x GPIO (G1/G2/G3/G4/G5/G6/G7/G8/G9/G10/G11) + 1x Wake-up IO (PY_G4_WAKE) |
| BTB Interface GPIO Leads | 19x GPIO (G40/G38/G12/G13/G14/G15/G16/G18/G21/G46/G45/G41/G43/G42/G39/G17/G44/G47/G48) |
| BTB Socket | BTB0.408-24PLBDR-M41, 12*2P-FPC Direct Insertion - Black, 0.4mm pitch |
| Antenna Socket | IPEX-4 |
| Battery Connector | SH1.0-2P |
| Antenna Type | FPC Antenna |
| Operating Temp | 0 ~ 40°C |
| Power Consumption | Sleep Mode: 4.2V@13.43uA Standby Mode: 4.2V@955.36uA Light Load Mode: 4.2V@26.83mA Full Load Mode: 4.2V@27.49mA |
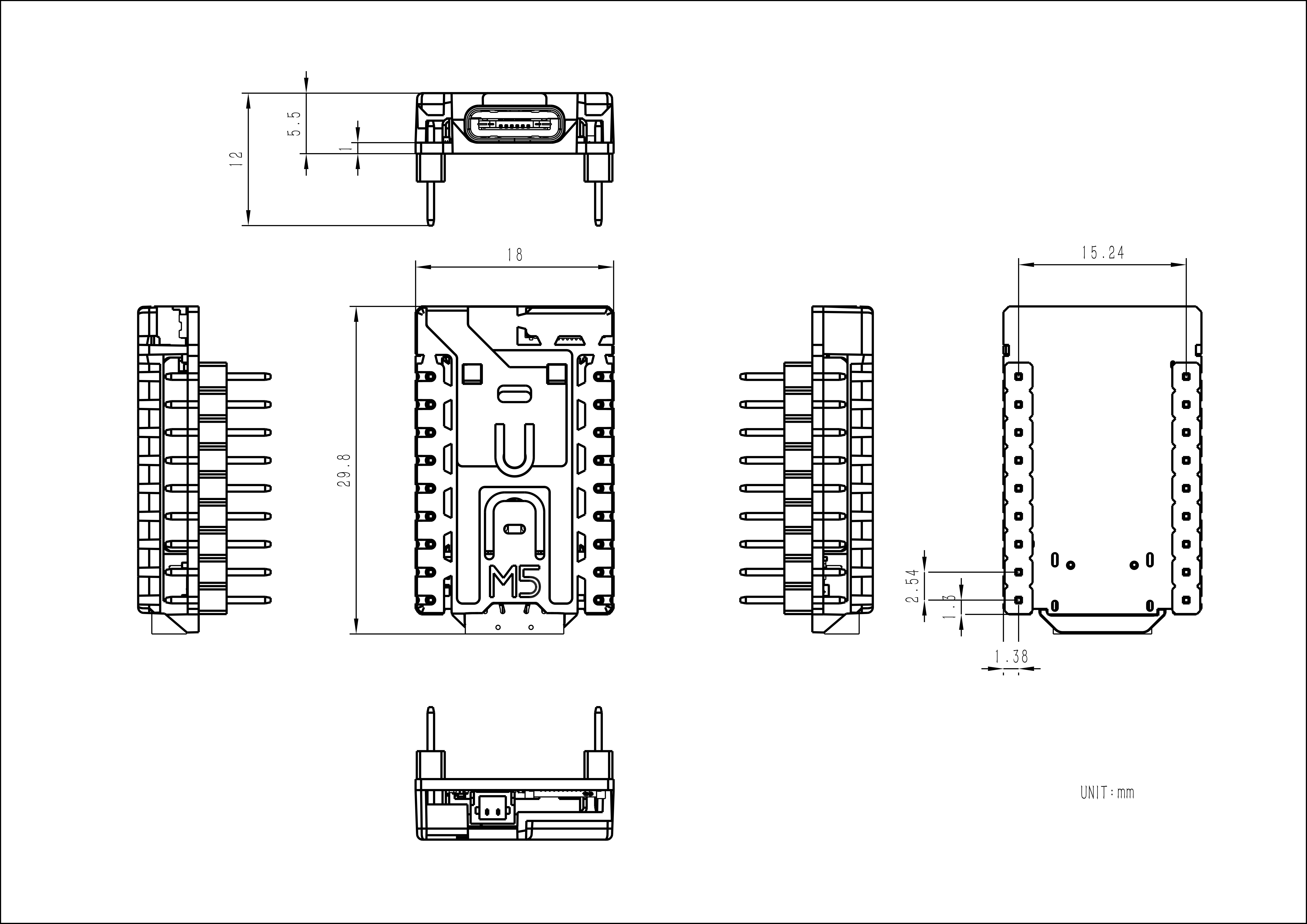
| Product Size | 29.8 x 18.0 x 12.0mm |
| Product Weight | 4.5g |
| Package Size | 44.0 x 32.5 x 17.0mm |
| Gross Weight | 9.4g |
Connect the device to the computer via a USB cable, press and hold the PWR button for about 3s to enter download mode and wait for burning.
PWR button to power on / reset:
PWR button to power off:
The module supports the following three power supply methods. Note that if powered through the 3V3 interface, the module's EXT_5V will not be able to output normally.


| ESP32-S3 | G47 | G48 |
|---|---|---|
| M5PM1(0x6E) | SCL | SDA |
| M5PM1 | G0 | G1 | G2 | G3 | G4 | PY_LED_PP | CHG_EN_PP |
|---|---|---|---|---|---|---|---|
| RGB LED | NeoPixel | PY_LED_EN | |||||
| Charge | PY_G2_CHG_STAT | PY_G3_CHG_PROG | CHG_EN | ||||
| 5VOUT | 5VOUT_EN | ||||||
| Ext Wakeup | PY_G4_WAKE |
PY_G3_CHG_PROG (Low: 650mA / Floating: 200mA)| PIN | LEFT | RIGHT | PIN |
|---|---|---|---|
| G40 | 1 | 2 | G46 |
| G38 | 3 | 4 | G45 |
| G12 | 5 | 6 | G41 |
| G13 | 7 | 8 | U0TX / G43 |
| G14 | 9 | 10 | G42 |
| G15 | 11 | 12 | G39 |
| G16 | 13 | 14 | GND |
| G18 | 15 | 16 | G17 |
| G21 | 17 | 18 | U0RX / G44 |
| 3V3_L2 | 19 | 20 | SCL |
| SYS_VBUS | 21 | 22 | GND |
| SYS_VBUS | 23 | 24 | SDA |
| Product Compare | Stamp-S3Bat DIP ![]() | Stamp-S3Bat ![]() |
|---|---|---|
| Whether the pin header is soldered | Yes | No |
If you need to compare the product information of the Stamp series, you can visit the Product Selection Table, and check the target products to get the comparison results. The selection table covers key information such as core parameters and functional features, and supports synchronous comparison of multiple products.